본문

기타 동력전달 관련 부품
트롤리 체인TROLLEY CHAIN

| 규격 Dimension |
호칭치수 Standard Pitch |
실치수 Actual Size |
A | B | ∅C | D | 허용장력(kgt) Chain tension allowances(kgt) |
평균파단강도(kgt) Average Fracture Strength(kgt) |
단위중량(kgt) Weight per Unit(kgt) |
| SWC-348 | 76.2 | 76.55 | 28.6 | 46.8 | 12.7 | 19.8 | 1,000 | 11,000 | 3.2 |
| SWC-458 | 101.6 | 102.1 | 35.4 | 56.0 | 16.0 | 25.3 | 2,000 | 21,000 | 4.6 |
| SWC-678 | 152.4 | 153.6 | 50.8 | 79.4 | 22.2 | 32.0 | 3,500 | 38,000 | 10.2 |


캐터필러 체인CATERPILLAR CHAIN
RS160표준형 체인에 DOG LINK를 연결시켜 완성한 체인으로 TROLLEY CHAIN을 끌어 당길 수 있도록 견고하게 제작되어 원활하게 구동 할 수 있습니다.
RS160 standard chain installed with DOG LINK pulls TROLLEY CHAIN solidty for secure operation
평균 파단 강도 (Average Fracture Strength) : 27,500kgf
최대 허용 장력 (Max. Allowable chain pull) : 5,400kgf


SWC 348 TROLLEY ALL STYLE(일체형)

SWC 458 TROLLEY STANDARD TYPE
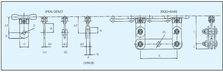
체인 어태치먼트CHAIN ATTACHMENT

| SIZE CHAIN |
허용하중 및 자중(kgf) PERMISSION LOAD AND DEAD LOAD |
펜던트 크레비스 치수(mm) PENDENT · CREVIS DIMENSION |
|||||||
| 펜던트A 하중 PENDENT A LOAD |
펜던트B 하중 PENDENT B LOAD |
크레비스 하중 CREVIS LOAD |
로드바 하중 ROD - BAR LOAD |
A1 | A2 | B | C | D | |
|---|---|---|---|---|---|---|---|---|---|
| SWC 348 | 60 | 125 | 125 | 250 | 62 | 72 | 20 | 38 | 13 |
| SWC 458 | 140 | 250 | 250 | 500 | 68 | 78 | 25 | 50 | 17 |
| SWC 678 | 300 | 800 | 800 | 1600 | 82 | 97 | 30 | 75 | 21 |
| SIZE CHAIN |
펜던트 · 크레비스 치수(mm) PENDENT · CREVIS DIMENSION | 로드바 치수(mm) ROD-BAR DIMENSION | ||||||||||
| E1 | E2 | E3 | F | G | H | PITCH | I | J | K | L | PITCH | |
|---|---|---|---|---|---|---|---|---|---|---|---|---|
| SWC 348 | 6.3 | 12.5 | 12 | 13 | 3.2 | 29 | 152.4 | 117 | 25 | 152.4 | 17 | 304.8 |
| SWC 458 | 9 | 16.5 | 16 | 17 | 4.5 | 34 | 203.2 | 128 | 25 | 203.2 | 21 | 406.4 |
| SWC 678 | 12.7 | 25.5 | 25 | 25 | 6.3 | 39 | 304.8 | 167 | 32.5 | 304.8 | 31 | 609.6 |
