본문

커플링(Coupling) / 토크 리미터(Torque limiter)
체인커플링의 특징Feature of Chain Coupling
- 체인 플래시블 커플링(Chain flexible coupling)은 동력전달을 위한 축 연결에 사용함에 있어서 우수한 효능을 갖고 있다.
- 체인 커플링은 3개의 주요 구성품으로 도어있다. 치면을 열처리한 2개의 스프라켓(Sprocket)과 2줄로 연결된 롤러체인(Roller Chain)이며, 커버(Cover)다. 체인 커플링의 사용에 편리한 점은 다음과 같다.
- 체인 연결핀으로 간단한 분해조립
- 약간의 편심과 편각작용
- 수명이 길다
- 설치나 보수가 간단하다
- 체인 커플리의 수명연장과 구리스(Grease)의 유출방지를 위하여 커버(Cover)와 오링(O-Ring)을 사용한다. 특히 부식이 될 수 있거나 연마재 등이 항상 분포되는곳, 하기 표의 점선 표시부분 이상 고속회전으로 사용할때는 필히 장착한다.

체인 커플링 선정 방법
- 부하의 성질 및 원동기의 종류에 따라 Service Factor를 참조, 사용계수를 구한다.
- Service Factor에서 구한 사용계수를 실제 설계동력에 곱한다.
동기동력(kW) = 전달동력 x 사용계수 - 체인 커플링을 사용 회전수와 동기동력을 감안하여 같거나 약간 큰 형번을 하기 표에서 전정한다.
- 연결되는 축경과 표에서 나타난 최대 축경과 비교해서 체인 커플링의 형번을 선정한다. 체인 커플링의 축경이 충분하지 못하면 그 보다 한 단계 높여서 선정하면 된다.
연결방법

- 중심선 상에서 각도 변위량 a는 1°이내로 합니다.
- 평행변위 €는 체인피치 2% 이내로 합니다.
- 간격 S는 아래표에 의거 조정합니다.
| coupling NO. |
CR 4012 ~ 4016 |
CR 5014 ~ 5018 |
CR 6018 ~ 6022 |
CR 8018 ~ 8022 |
CR 10020 |
CR 12018 ~ 12022 |
CR 16018 ~ 16022 |
CR 20018 ~ 20022 |
| Dimensions | 7.4 | 9.7 | 11.5 | 15.2 | 18.8 | 22.7 | 30.1 | 37.5 |

- 양 스프로켓 사이에 그리이스 넣은 다음 체인을 연결합니다.
- 체인 주위와 케이스에도 그리이스를 충분히 채우고 케이스를 조립합니다.
- 그리이스의 교환시기는 아래표에 준합니다.
| Operative condition |
The interval of refilling | |
| First refilling | Second&over refilling | |
| More than half of maximum revolution |
1,000hours | 2,000hours |
| Less than half of maximum revolution |
2,000hours | 4,000hours |
표준품 규격

| Coupling No. |
Type | Bore | Chain | D | DH | Z | l | S | C | Weight (Kg) |
Case | ||||||
| Min | Max | Pitch | Width(Max)E | Type | A | B | Weight (Kg) |
||||||||||
| CR 4012 | Ⅰ | 12 | 22 | 12.70 | 33.1 | 61 | 35 | 79.4 | 36 | 7.4 | 10 | 0.8 | Ⅰ | 75 | 75 | 0.38 | |
| CR 4014 | Ⅰ | 12 | 28 | 12.70 | 33.1 | 69 | 43 | 79.4 | 36 | 7.4 | 10 | 1.1 | Ⅰ | 84 | 75 | 0.47 | |
| CR 4016 | Ⅰ | 16 | 32 | 12.70 | 33.1 | 77 | 50 | 87.4 | 40 | 7.4 | 6 | 1.6 | Ⅰ | 92 | 75 | 0.56 | |
| CR 5014 | Ⅰ | 16 | 35 | 15.875 | 41.0 | 86 | 53 | 99.7 | 45 | 9.7 | 12 | 2.2 | Ⅰ | 101 | 85 | 0.64 | |
| CR 5016 | Ⅰ | 18 | 40 | 15.875 | 41.0 | 96 | 60 | 99.7 | 45 | 9.7 | 12 | 3 | Ⅰ | 111 | 85 | 0.76 | |
| CR 5018 | Ⅰ | 18 | 45 | 15.845 | 41.0 | 106 | 70 | 99.7 | 45 | 9.7 | 12 | 3.6 | Ⅰ | 122 | 85 | 0.92 | |
| CR 6018 | Ⅰ | 22 | 56 | 19.05 | 51.1 | 128 | 85 | 123.5 | 56 | 11.5 | 15 | 6.5 | Ⅰ | 142 | 106 | 1.4 | |
| CR 6022 | Ⅰ | 28 | 71 | 19.05 | 51.1 | 152 | 1110 | 123.5 | 56 | 11.5 | 15 | 10.3 | Ⅰ | 167 | 106 | 1.7 | |
| CR 8018 | Ⅰ | 32 | 80 | 25.40 | 65.3 | 170 | 115 | 141.2 | 63 | 15.2 | 30 | 13.8 | Ⅰ | 186 | 130 | 2.3 | |
| CR 8022 | Ⅰ | 40 | 100 | 25.40 | 65.3 | 203 | 140 | 157.0 | 71 | 15.2 | 22 | 21.7 | Ⅰ | 220 | 130 | 2.7 | |
| CR10020 | Ⅰ | 45 | 110 | 31.75 | 80.3 | 233 | 160 | 178.8 | 80 | 18.8 | 30 | 32.6 | Ⅰ | 250 | 148 | 4.0 | |
| CR12018 | Ⅰ | 50 | 125 | 38.10 | 101.1 | 256 | 170 | 202.7 | 90 | 22.7 | 50 | 43.9 | 2 | 307 | 181 | 6.8 | |
| CR12022 | Ⅰ | 56 | 140 | 38.10 | 101.1 | 304 | 210 | 222.7 | 100 | 22.7 | 40 | 69.0 | 2 | 357 | 181 | 8.4 | |
| CR16018 | Ⅰ | 63 | 160 | 50.80 | 129.7 | 341 | 224 | 254.1 | 112 | 30.1 | 68 | 96.3 | 2 | 406 | 250 | 14.7 | |
| CR16022 | Ⅰ | 80 | 200 | 60.80 | 129.7 | 405 | 280 | 310.1 | 140 | 30.1 | 40 | 16.8 | 2 | 472 | 250 | 17.2 | |
| CR20018 | Ⅱ | 88 | 205 | 63.50 | 159.0 | 426 | 294 | 519.5 | 241 | 37.5 | 0 | 294.4 | 2 | 496 | 280 | 22.2 | |
| CR20022 | Ⅱ | 98 | 260 | 63.50 | 159.0 | 507 | 274 | 519.5 | 241 | 37.5 | 0 | 461.6 | 2 | 578 | 280 | 26.6 | |
| CR24022 | Ⅱ | 120 | 310 | 76.20 | 194.9 | 608 | 420 | 751.1 | 353 | 45.1 | |||||||
| CR24026 | Ⅱ | 150 | 380 | 76.20 | 194.9 | 705 | 520 | 353 | 45.1 | ||||||||
전동능력표
| Coupling No. |
Max Allowable Bore Dia at less than (mm) |
Drive Torque (kgm) |
Revolution per minute | |||||||||||||||||||||||
| 1 | 5 | 10 | 25 | 50 | 100 | 200 | 300 | 400 | 500 | 600 | 800 | 1000 | 1200 | 1500 | 1800 | 2000 | 2500 | 3000 | 3600 | 4000 | 4800 | 5200 | 6000 | |||
| CR 3612 | 16 | 10.2 | 0.01 | 0.05 | 0.11 | 0.26 | 0.52 | 0.79 | 1.21 | 1.58 | 1.89 | 2.26 | 2.58 | 3.19 | 3.88 | 4.41 | 5.35 | 6.25 | 6.73 | 8.12 | 9.44 | 11.0 | 12.0 | 14.0 | 14.8 | 16.7 |
| CR 4012 | 22 | 22.2 | 0.02 | 0.11 | 0.22 | 0.58 | 1.15 | 1.73 | 2.63 | 3.46 | 4.15 | 4.96 | 5.67 | 7.01 | 8.53 | 9.68 | 11.6 | 13.7 | 14.8 | 17.9 | 20.7 | 24.1 | 26.3 | 30.8 | ||
| CR 4014 | 28 | 30.2 | 0.03 | 0.16 | 0.32 | 0.79 | 1.58 | 2.36 | 3.59 | 4.72 | 5.66 | 6.77 | 7.72 | 9.56 | 11.64 | 13.21 | 15.8 | 18.7 | 20.2 | 24.4 | 23.3 | 32.9 | 35.9 | 42.1 | ||
| CR 4016 | 32 | 39.4 | 0.04 | 0.21 | 0.41 | 1.03 | 2.06 | 3.09 | 4.69 | 6.17 | 7.41 | 8.85 | 10.1 | 12.5 | 15.3 | 17.3 | 21.0 | 24.4 | 26.3 | 31.9 | 37.0 | 43.0 | 46.9 | 54.9 | ||
| CR 5014 | 35 | 57.4 | 0.06 | 0.30 | 0.60 | 1.50 | 3.00 | 4.48 | 6.80 | 8.95 | 10.7 | 12.8 | 14.7 | 18.1 | 22.1 | 25.1 | 30.0 | 35.4 | 39.3 | 46.2 | 53.6 | 62.4 | ||||
| CR 5016 | 40 | 75.0 | 0.08 | 0.39 | 0.78 | 1.95 | 3.91 | 5.86 | 8.92 | 11.7 | 14.1 | 16.8 | 19.2 | 23.8 | 28.9 | 32.9 | 39.9 | 46.4 | 50.0 | 80.6 | 70.4 | 81.6 | ||||
| CR 5018 | 45 | 95.0 | 0.10 | 0.50 | 0.99 | 2.48 | 4.95 | 7.43 | 11.3 | 14.9 | 17.8 | 21.3 | 24.4 | 30.1 | 36.6 | 41.8 | 50.5 | 58.8 | 63.4 | 76.8 | 89.2 | |||||
| CR 6018 | 56 | 179 | 0.18 | 0.93 | 1.87 | 4.67 | 9.33 | 14.0 | 21.3 | 28.0 | 33.6 | 40.1 | 45.9 | 56.8 | 69.1 | 78.4 | 96.2 | 111 | 130 | 145 | ||||||
| CR 6022 | 71 | 242 | 0.25 | 1.25 | 2.51 | 6.31 | 12.5 | 18.8 | 28.6 | 37.7 | 45.3 | 54.1 | 61.9 | 76.5 | 93.1 | 105 | 128 | 149 | 161 | 195 | ||||||
| CR 8018 | 80 | 396 | 0.41 | 2.07 | 4.14 | 10.3 | 20.7 | 31.0 | 47.2 | 62.1 | 74.5 | 89.0 | 101 | 126 | 153 | 174 | 211 | 246 | 265 | |||||||
| CR 8022 | 100 | 570 | 0.59 | 2.96 | 5.93 | 14.8 | 29.6 | 44.5 | 67.2 | 89.0 | 106 | 127 | 146 | 130 | 219 | 249 | 302 | |||||||||
| CR10020 | 110 | 896 | 0.93 | 4.66 | 9.33 | 23.3 | 46.6 | 70.0 | 106 | 140 | 168 | 200 | 229 | 283 | 345 | 392 | 476 | 554 | ||||||||
| CR12018 | 125 | 1,350 | 1.40 | 7.02 | 14.0 | 35.1 | 70.2 | 105 | 160 | 210 | 252 | 302 | 345 | 426 | 519 | 590 | 716 | |||||||||
| CR12022 | 140 | 1,750 | 1.81 | 9.07 | 18.1 | 45.3 | 90.7 | 136 | 206 | 272 | 326 | 390 | 446 | 551 | 671 | 762 | ||||||||||
| CR16018 | 160 | 2,920 | 3.03 | 15.1 | 30.3 | 75.8 | 151 | 227 | 345 | 455 | 546 | 652 | 764 | 922 | 1122 | |||||||||||
| CR16022 | 200 | 4,260 | 4.43 | 22.1 | 44.3 | 110 | 221 | 333 | 506 | 665 | 799 | 954 | 1090 | 1350 | 1640 | |||||||||||
| CR20018 | 205 | 5,820 | 6.06 | 30.3 | 60.6 | 151 | 303 | 454 | 691 | 909 | 1090 | 1300 | 1490 | 1840 | ||||||||||||
| CR20022 | 260 | 7,340 | 7.63 | 38.2 | 76.3 | 191 | 382 | 572 | 871 | 1140 | 1370 | 1640 | 1880 | |||||||||||||
| Type of lubricayon | I | II | III | |||||||||||||||||||||||
- Lubrication interval : Once a month. It is recommended to use a casing.
- Lubrication interval : Once a Week. It is recommended to use a casing.
- It is imperative to use a casing.
In the high speed zone to the right side of the dotted line more accurate installation in necessary.
토르크 리미트 / 토르크 리미트 카플링TORQUE LIMITER / TORQUE LIMITER COUPLING

토르크 리미트 (TORQUE LIMITER)
토르크 리미트 카플링 (TORQUE LIMITER COUPLING)
토르크 리미트의 특징
- 토오크(TORQUE)의 설정 및 조절은 조절너트 또는 조절볼트의 체결력 가감에 의해 간단히 할 수 있습니다.
- 토모크(TORQUE)의 전달은 마찰판과 DRIVE MENBER와의 마찰에 의해 발생하므로 과부하시에는 미끄러져 기계를 보호합니다.
- 과부하시에는 미끄러지고 과부하가 제거되면 자동적으로 복귀되머 회전합니다.
- 자동으로 운전되는 기계 혹은 장치 등에서 과부하가 걸리면 자동적으로 전원을 끊기도 하고, 경보벨을 물리기도 하는 안전장치를 쉽게 설치할 수 있습니다.
- DRIVE MENBER로써 스프라켓(SPROCKET), 기어(GEAR), 풀리(PULLEY)등 설치가 가능합니다.
- 보수 비용이 전혀 들지 않습니다.
토르크 리미트의 선정 방법
- 기계의 강도, 부하 및 기타 조건에 따라 슬럽 토크(SLIP TORQUE)를 결정 합니다. SLIP TORQUE를 확실히 알수 없는 경우에는 원동기의 정격 출력 및 장착하는 축의 회전수로써 TORQUE를 계산하여 그것의 1.5~2배를 SLIP TORQUE로 하여 주십시요.
- SLIP TORQUE가 설정 토오크(TORQUE) 범위에 있는 TORQUE LIMITER를 설정하여 주십시요.
- 사용하고자 하는 축경과 위에서 선정된 SIZE의 최대 축경과 비교하며 범위 내에 드는지 확인 하십시요.
- TORQUE LIMITER 에 끼워 넣는 DRIVE MENBER의 두께에 따라 적당한 길이의 부싱(BUSHING)를 선정 하십시요. 붓싱(BUSHING)의 길이는 DRIVE MENBER의 두께보다 짧은것 중에서 가장 긴 것을 사용하며 주십시요.
토르크 리미트의 조절 방법
토오크리미터의 슬럽 토오크의 조절은 조절너트, 조절볼트에 의해 행합니다. 조절너트 또는 조절볼트를 헐겁게 체결한 상태에서 점차 크게 체결하며 며러번 시운전을 하면서 가장 적당한 체결 위치를 찾아 주십시요. 또 체결량과 슬럽 토오크의 관계 그래프에 따따라 조절 너트, 볼트의 일정한 체결량에 대한 슬럽 토모크의 값을 설정하는 것도 가능합니다. 마찰면의 상태 혹은 기타 조건에 의해 일정 체결량에 대한 토오크가 다소 변화하는 경우도 있습니다. 그래프의 값을 목표 값으로하여 약간 헐거운 체결량으로 시운전을 행하며 그 기계에 가장 알맞는 체결량을 찾아내는 것이 가장 접합한 방법입니다. 슬럽 토오크의 안전성이 특히 필요한 경우에는 조절 너트, 볼트를 손으로 최대한 체결한 후 스패너로 60°를 더 체결한 상태에서 약 500회전 슬럽시켜 마찰면을 고르게 하여 주십시요. 조절 너트, 볼트를 손으로 죄어 디스크 스프링(DISK SPRING)을 고정한 상태를 "0"POINT로 합니다. 또 TL-500, TL700은 너트를 PILOT PLATE에 밀착시킨 위치 또는 약간 떨머진 위치에서 셋트 볼트(SET BOLT)로써 고정하며 주십시요.


| Size | Basic torque (kgf.m) |
Finished Bore (H10) |
Max. Bore Dia |
Bushing | Drive Member Bore |
Dimensions (mm) | Weight (kg) |
|||||||||||
| Width | Out Dia | D | DH | L | I | T | t | S (Max) |
A | C | ⑥ | ⑦ | ||||||
| TL-200-1 | 0.3~1 | 8 | 14 | 3.8 |
30-0.024
-0.049 |
30+0.03
0 |
50 | 24 | 29 | 6.5 | 2.6 | 2.5 | 7 | - | 38 | M24 ×1.0 |
- | 0.2 |
| TL-200-2 | 0.7~2 | 6.0 | ||||||||||||||||
| TL-250-1 | 0.7~2.8 | 10 | 22 | 4.5 |
41-0.010
-0.045 |
41+0.05
0 |
65 | 35 | 48 | 16 | 4.5 | 3.2 | 9 | 4 | 50 | M35 ×1.5 |
M5 | 0.6 |
| TL-250-2 | 1.4~5.5 | 6.5 | ||||||||||||||||
| TL-350-1 | 2.0~7.6 | 17 | 25 | 4.5 |
49-0.025
-0.065 |
49+0.05
0 |
89 | 42 | 62 | 19 | 4.5 | 3.2 | 16 | 6 | 63 | M42 ×1.5 |
M6 | 1.2 |
| TL-350-2 | 3.5~15.5 | 9.5 | ||||||||||||||||

| Size | Basic torque (kgf.m) |
Finished Bore (H10) |
Max. Bore Dia |
Bushing | Drive Member Bore |
Dimensions (mm) | Weight (kg) |
|||||||||||
| Width | Out Dia | D | DH | L | I | T | t | S (Max) |
A | ⑦ | ⑧ | ⑨ | ||||||
| TL-500-1 | 4.8~21.4 | 20 | 42 | 6.5 |
74-0.05
-0.10 |
74+0.05
0 |
127 | 65 | 76 | 22 | 5.7 | 3.2 | 16 | 7 | M65 ×1.5 |
M8 ×1 |
M8 | 3.5 |
| TL-500-2 | 9~42.9 | 9.5 | ||||||||||||||||
| TL-700-1 | 11.8~58.1 | 30 | 64 | 9.5 |
105-0.075
-0.125 |
105+0.05
0 |
178 | 95 | 98 | 24 | 7.7 | 3.2 | 29 | 8 | M95 ×1.5 |
M10 ×1.25 |
M10 | 8.4 |
| TL-700-2 | 22.8~110.6 | 12.5 | ||||||||||||||||

| Size | Basic torque (kgf.m) |
Finished Bore (H10) |
Max. Bore Dia |
Bushing | Drive Member Bore |
Dimensions (mm) | Weight (kg) |
|||||||||||
| Width | Out Dia | D | DH | L | I | T | T1 | T2 | t | S |
C | ⑨ | ||||||
| TL 10-16 | 40 ~ 130 | 38 | 72 | 12.5 15.5 19.5 |
135
+0.085 -0.125 |
135+0.07 0 |
254 | 100 | 115 | 23 | 15 | 15 | - | 4.0 | 24 | 19 | M18 ×1.5 |
21 |
| TL 10-24 | 60 ~ 190 | |||||||||||||||||
| TL 14-10 | 90 ~ 272 | 50 | 100 | 15.5 19.5 23.5 |
183+0.07 -0.12 |
138+0.07 0 |
356 | 145 | 150 | 31 | 13 | 13 | 13 | 4.0 | 29 | 27 | M26 ×1.5 |
52 |
| TL 14-15 | 200 ~ 400 | |||||||||||||||||
| TL 20-6 | 250 ~ 500 | 50 | 130 | 15.5 19.5 23.5 |
226-0.07 0 |
226+0.07 0 |
508 | 185 | 175 | 36 | 15 | 15 | 18 | 4.0 | 3.1 | 36 | M32 ×1.5 |
117 |
| TL 20-12 | 470 ~ 950 | |||||||||||||||||
TORQUE LIMITER COUPLING
CHARACTERISTIC
- Torque Limiter Coupling is a flexible Coupling which consists of a torque limiter and a special type steel sprocket connected with a steel double roller chain
- Easily centering and simply installation

| Size No. |
Rated torque (kgf.m) |
Max. RPM |
Finished bore(H10) | Max. bore | Approcated Sprocket |
Dimensions (mm) | Weight (kg) |
|||||||
| Sprocket | Torque limiter |
Sprocket | Torque limiter |
D | DH | L | l1 | l2 | S | |||||
| TL200-1C | 0.3~1 | 1200 | 8 | 8 | 31 | 14 | #40-16T | 76 | 50 | 55 | 24 | 29 | 7.5 | 1.0 |
| TL200-2C | ||||||||||||||
| TL250-1C | 0.7~2.8 | 1000 | 13 | 10 | 38 | 22 | #40-22T | 102 | 556 | 76 | 25 | 48 | 7.4 | 2.0 |
| TL250-2C | ||||||||||||||
| TL350-1C | 22.0~7.6 | 800 | 13 | 17 | 45 | 25 | #50-24T | 137 | 72 | 103 | 37 | 62 | 9.7 | 5.2 |
| TL350-2C | ||||||||||||||
| TL500-1C | 4.8~21.4 | 500 | 18 | 20 | 65 | 42 | #60-28T | 188 | 105 | 120 | 40 | 76 | 11.6 | 12.3 |
| TL500-2C | ||||||||||||||
| TL700-1C | 11.8~58.1 | 400 | 23 | 30 | 90 | 64 | #80-28T | 251 | 150 | 168 | 66 | 98 | 15.3 | 31.0 |
| TL700-2C | ||||||||||||||
| TL10-16C | 40~130 | 300 | 33 | 30 | 95 | 72 | #140-22T | 355 | 137 | 189 | 71 | 115 | 26.2 | 66 |
| TL10-24C | 60~190 | |||||||||||||
| TL14-10C | 90~272 | 200 | 38 | 40 | 118 | 100 | #160-26T | 470 | 167 | 235 | 80 | 150 | 30.1 | 140 |
| TL14-15C | 200~400 | |||||||||||||
| TL20-6C | 250~500 | 140 | 43 | 50 | 150 | 130 | #160-36T | 631 | 237 | 300 | 120 | 175 | 30.1 | 285 |
| TL20-12C | 470~950 | |||||||||||||
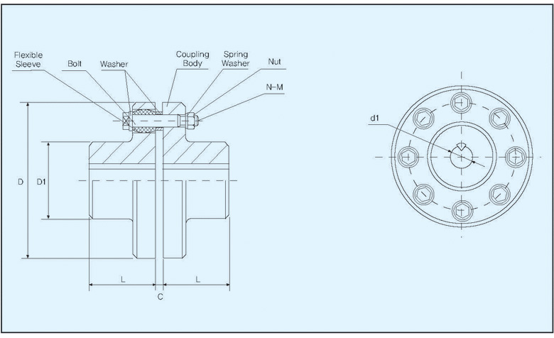
후렌지 카플링FLANGE COUPLING

| SIZE | MAX TORQUE kgt·m |
MAX SPEED r/min |
D | Dr | dr | L | C | n - M | WEIGHT kg |
| SWFL090 | 0.4 | 4000 | 90 | 35.5 | 11 | 28 | 3 | 4-M8 * 50 (F1) | 1.7 |
| SWFL100 | 1.0 | 4000 | 100 | 40 | 11 | 35.5 | 3 | 4-M10 * 56 (F2) | 2.3 |
| SWFL112 | 1.6 | 4000 | 112 | 45 | 13 | 40 | 3 | 4-M10 * 56 (F2) | 2.8 |
| SWFL125 | 2.5 | 4000 | 125 | 50 | 13 | 45 | 3 | 4-M12 * 64 (F3) | 4 |
| SWFL140 | 5.5 | 4000 | 140 | 63 | 13 | 50 | 3 | 6-M12 * 64 (F3) | 5.4 |
| SWFL160 | 11.0 | 4000 | 160 | 80 | 15 | 56 | 3 | 8-M12 * 64 (F3) | 8 |
| SWFL180 | 15.7 | 3500 | 180 | 90 | 15 | 63 | 3 | 8-M12 * 64 (F3) | 10.5 |
| SWFL200 | 24.5 | 3200 | 200 | 100 | 21 | 71 | 4 | 8-M20 * 85 (F4) | 16.2 |
| SWFL224 | 39.2 | 2850 | 224 | 112 | 21 | 80 | 4 | 8-M20 * 85 (F4) | 21.63 |
| SWFL250 | 61.8 | 2550 | 250 | 125 | 25 | 90 | 4 | 8-M24 * 110 (F5) | 31.6 |
| SWFL280 | 98.0 | 2300 | 280 | 140 | 34 | 100 | 4 | 8-M24 * 116 (F6) | 44 |
| SWFL315 | 156.8 | 2050 | 315 | 160 | 41 | 112 | 4 | 10-M24 * 116 (F6) | 57.7 |
| SWFL355 | 245.0 | 1800 | 355 | 180 | 60 | 125 | 5 | 8-M30 * 150 (F7) | 89.5 |
| SWFL400 | 392.0 | 1600 | 400 | 200 | 60 | 125 | 5 | 10-M30 * 150 (F7) | 113 |
| SWFL450 | 617.4 | 1400 | 450 | 224 | 65 | 140 | 5 | 12-M30 * 150 (F7) | 145 |
| SWFL560 | 980.0 | 1150 | 560 | 250 | 85 | 160 | 5 | 14-M30 * 150 (F7) | 229 |
| SWFL630 | 1568.0 | 1000 | 630 | 280 | 95 | 180 | 5 | 18-M30 * 150 (F7) | 296 |
